Motor
Evaporator lower motor assy
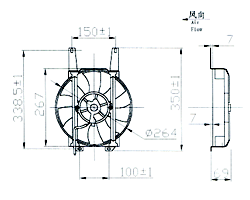
Condensing fan assy
Condensing fan assy(for truck)
Water Box Fan
condonsing for assy
Part No.
Test Voltage V
Current A
Speed >rpm
Static pressure pa
Air volume >m3/h
KTL147DT-3
13.5
7
2300
50
900
¡¼
Back
¡½